Нови артикули
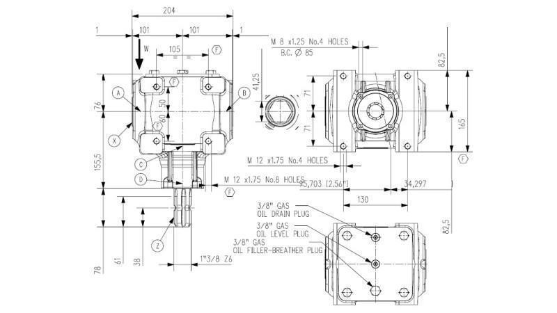
ЪГЛОВА СКОРОСТНА КУТИЯ TB-27J 1.46:1 (40HP-29.4KW)
Код:
100139
OEM:
9990000024704
Данъчна ставка
22 %
Цена без ДДС:
612,39 BGN
Цена с ДДС:
747,12 BGN
Ref:
3
Връщане или размяна:
14 дни
вращение на редуктора:
ляво/дясно (в зависимост от инсталацията на редуктора)
код на производителя:
9.267.872.10
Натоварване:
40 HP (29.4 kW)
Изходен вал:
вал 30 мм
тип редуктор:
TB-27J (ъглова предавка)
смазочно вещество:
масло SAE 90 1.1 литра трябва да се добави в редуктора.
входен вал:
кардан (1”3/8 – 6 зъба)


.jpg)
.jpg)
.jpg)



