Nieuwe artikelen
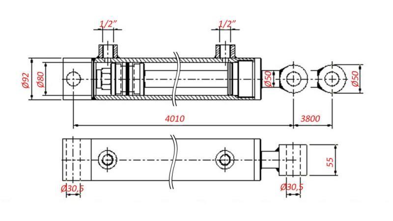
HYDRAULISCHE CILINDER VOOR SLEEPWAGEN - HOLE 80/50-3800
OPMERKING: GROTER ITEM (mogelijke wijziging in verzendkosten, in dit geval zullen we u telefonisch op de hoogte stellen)
Code:
100781
OEM:
9990000091546
BTW-tarief
22 %
Prijs exclusief BTW:
678,69 EUR
Prijs inclusief BTW:
828,00 EUR
Ref:
12
Beschrijving:
Hydraulische cilinder voor sleepwagen, bedoeld voor het verplaatsen van het gehele platform of aanhangwagenplatforms en vergelijkbare systemen.
Leverancier:
Italië
cilinder samentrekkracht (bij 250 bar):
7,65 ton
Retour of ruil:
14 dagen
cilinder uitzetkracht (bij 250 bar):
12,56 ton
Productgewicht:
115 kg
Garantie:
2 jaar
maximale snelheid:
0.5 m/s
cilinder uitzetkracht (bij 180 bar):
9,04 ton
cilinder samentrekkracht (bij 180 bar):
5,51 ton
max. druk:
250 bar









