Nieuwe artikelen
HYDRAULISCHE KLEP 4XP120
Algemene beschrijving:
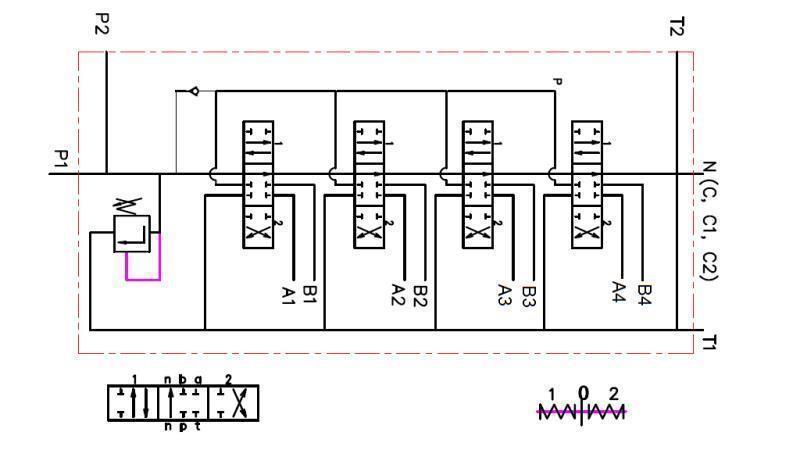
Handmatige of mechanische hydraulische klep Р120 is ontworpen voor de distributie en controle van de werkstroom tussen de hydraulische pomp en verbruikers (cilinders, hydraulische motoren…).
Hydraulische kleppen worden voor verschillende doeleinden gebruikt in de landbouw, industrie, bouw, enz. voor het regelen van:
- enkele-werkende cilinders
- dubbele-werkende cilinders
- hydraulische motoren
- drijvende functies (voor ploeg)
- joysticks (omhoog-omlaag, links-rechts)
Ze zijn samengesteld in een blok van 1 tot 4 hendels.
Werking:
Alle hydraulische kleppen zijn uitgerust met een veiligheidsklep. In de neutrale positie (hendel in het midden) circuleert olie door de klep. Wanneer de hendel naar de ene of de andere kant wordt verschoven, veroorzaakt de hydraulische klep de beweging van de cilinder of de rotatie van de hydraulische motor in de ene of de andere richting. Na het loslaten van de hendel keert deze automatisch terug naar de neutrale positie, stopt de hydraulische motor of cilinder in de huidige positie, en circuleert de olie opnieuw door de klep. Het is mogelijk om een zogenaamde 'gesloten centrum' element te gebruiken, dat de klep zo verandert dat in de neutrale positie, olie niet door de klep circuleert of dat een dergelijke klep niet meer stroomt. Bij het gebruik of aansluiten van andere kleppen is het noodzakelijk om het 'carry over' element te gebruiken, dat de toevoer van olie voor andere kleppen mogelijk maakt.
Voor kleppen met spindels voor drijvende functie, staat het de cilinder vrije doorstroming van olie toe, wat betekent dat de cilinder vrij beweegt (of de sneeuwploeg zich aanpast aan het terrein).
Kleppen met spindels voor enkele-werkende cilinders zijn bedoeld voor enkele-werkende cilinders.
Constructie:
Р120 is een monoblock distributieklep. Het is gemaakt van gietijzer EN-GJL300. De spindels zijn gemaakt van koolstofstaal en zijn hard verchroomd.
Aansluitingen:
Aansluitingen: De spindel is vastgeschroefd met vier M10 schroeven







