Nya produkter
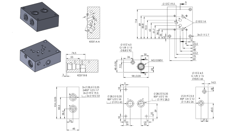
CETOP BAS NG10-1-RV
| Teknisk information | |
|
Leverantör: |
Turkiet |
|
Retur eller byte: |
14 dagar |
|
Garanti: |
6 månader |
|
Typ: |
NG10-1-RV |
|
Material: |
Aluminium |
|
Tryck: |
max. 250 bar |
|
Flöde: |
max. 80 l/min |
Beskrivning
CETOP NG10-1 underplattan är en standardiserad monteringsplatta utformad för installation av hydraulventiler storlek NG10 (CETOP 5) i enlighet med ISO 4401-05 standarden. Den möjliggör en enkel, snabb och pålitlig anslutning av ventilen till hydraulsystemet.
CETOP NG10-RV underplattan är en uppgraderad version av standard NG10 (CETOP 5 / ISO 4401-05) underplatta, med en integrerad tryckavlastningsventil. Den är utformad för att skydda hydraulsystemet från övertryck och säkerställer säker och pålitlig drift.
Den integrerade avlastningsventilen möjliggör tryckbegränsning direkt på underplattan, vilket minskar behovet av ytterligare komponenter, förenklar installationen och ger en mer kompakt systemdesign.
Mått









