Uudet tuotteet
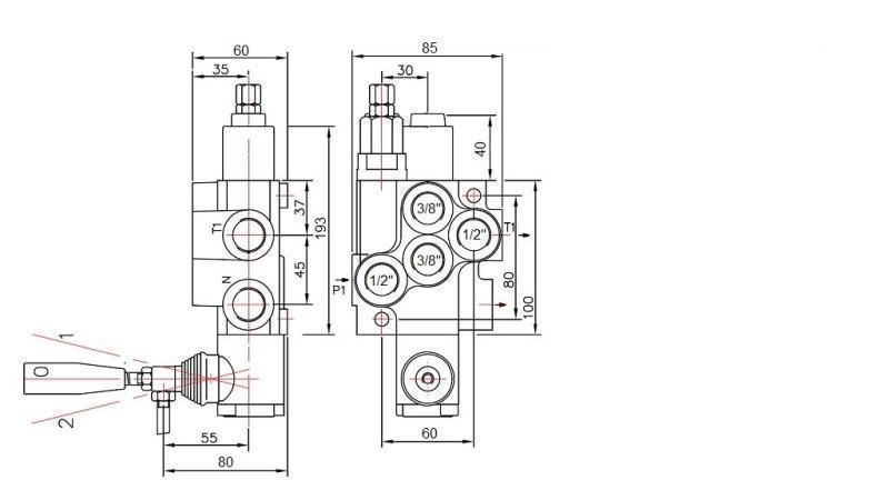
MANUAALINEN HYDRAULINEN VENTTIILI MONOBLOKKI 1xZ50 + YKSITOIMINEN C1
Yleiskuvaus:
Manuaalinen tai mekaaninen hydraulinen venttiili Р40 on suunniteltu työvirran jakamiseen ja hallintaan hydraulipumpun ja kuluttajien (sylinterit, hydrauliset moottorit…) välillä.
Hydrauliventtiilejä käytetään erilaisiin tarkoituksiin maataloudessa, teollisuudessa, rakentamisessa jne. hallitsemaan:
- yksisuuntaisia sylintereitä
- kaksisuuntaisia sylintereitä
- hydraulisia moottoreita
- kelluvia toimintoja (auralle)
- joystickejä (ylös-alas, vasen-oikea)
Ne kootaan lohkoon 1-7 vivusta.
Toiminta:
Kaikki hydrauliventtiilit on varustettu turvaventtiilillä. Neutraalissa asennossa (vipu keskellä) öljy kiertää venttiilin läpi. Kun vipua siirretään toiselle puolelle, hydrauliventtiili saa sylinterin liikkumaan tai hydraulimoottorin pyörimään yhteen suuntaan tai toiseen. Vapautettaessa vipu se palautuu automaattisesti neutraaliin asentoon, hydraulimoottori tai sylinteri pysähtyy nykyiseen asentoon, ja öljy kiertää jälleen venttiilin läpi. On mahdollista käyttää niin sanottua 'suljettua keskusta' elementtiä, joka muuttaa venttiiliä siten, että neutraalissa asennossa öljy ei kierrä venttiilin läpi tai tällainen venttiili ei enää vuoda. Käytettäessä tai liitettäessä muita venttiilejä on tarpeen käyttää 'carry over' elementtiä, joka mahdollistaa öljyn syötön muille venttiileille.
Kelluvia toimintoja varten varustetuissa venttiileissä se sallii sylinterin vapaan öljyvirran, mikä tarkoittaa, että sylinteri liikkuu vapaasti (tai lumiaura mukautuu maastoon).
Yksisuuntaisia sylintereitä varten varustetut venttiilit on tarkoitettu yksisuuntaisille sylintereille.
Rakenteet:
Р40 on monoblock-jakeluventtiili. Se on valmistettu valuraudasta EN-GJL300. Kierteet on valmistettu hiiliteräksestä ja ne on kovakromattu.
Liitännät:
Kierteet on kiinnitetty kahdella M8 ruuvilla.







