Novos Produtos
CAIXA DE CÂMBIO GR.3 -1:3 ENTRADA MACHO - SAÍDA MACHO
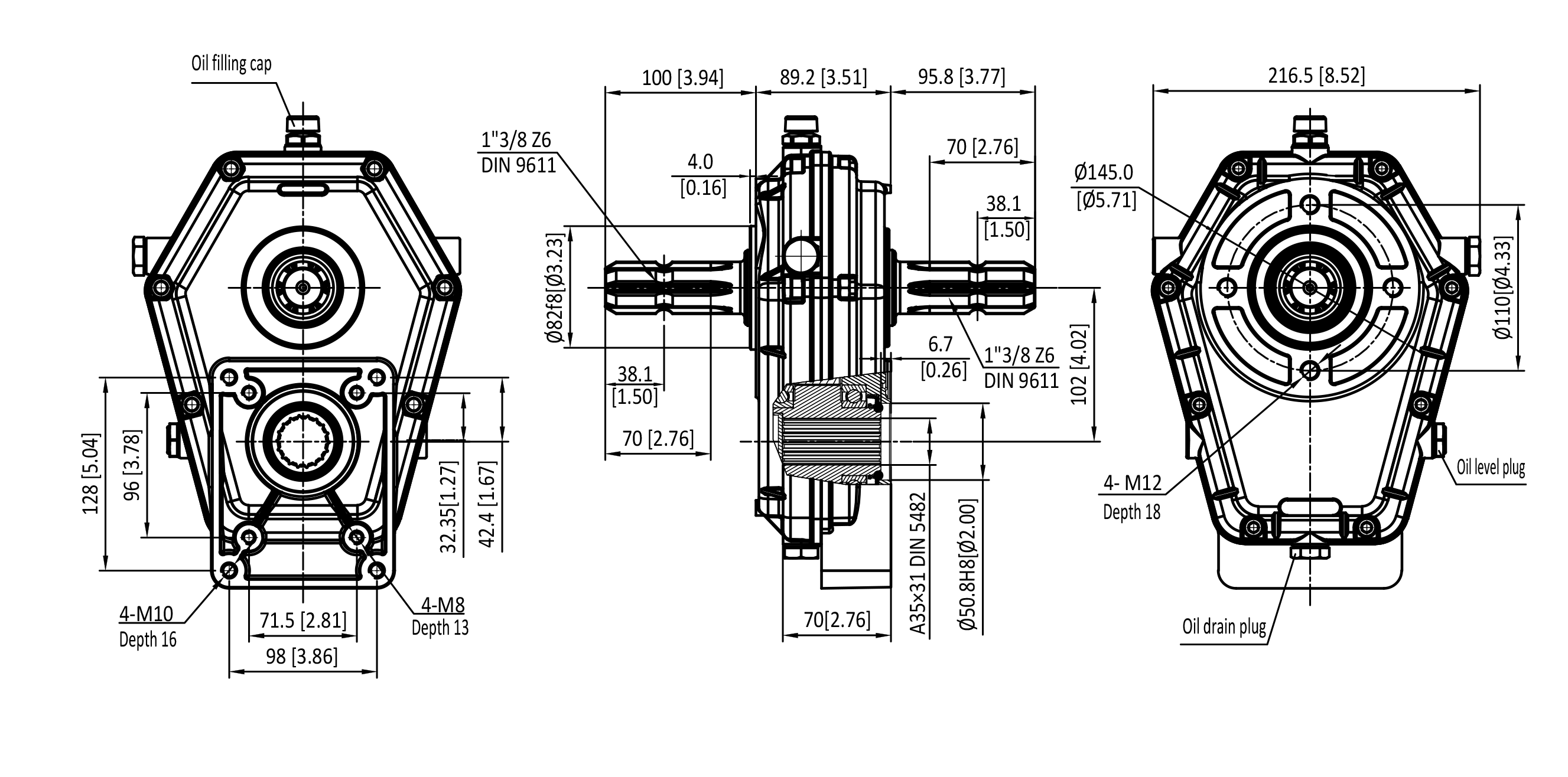
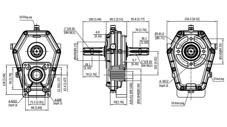
| Informações técnicas | |
| Fornecedor: | China |
| Devolução ou troca: | 14 dias |
| Garantia: | 6 meses |
| Relação de engrenagem: | 1:3 |
| Para bombas hidráulicas: | GR. 3 |
| Conexão: | Eixo PTO em ambos os lados - 1" 3/8 – 6 estrias (macho) |
| Velocidade de entrada: | 540 rpm |
| Torque de entrada: | 49 daNm |
| Velocidade de saída: | 1620 rpm (máx. 3000 rpm) |
| Torque de saída: | 16 daNm |
| Carga: | até 20 kW |
| Peso do produto: | 8,3 kg |
| Lubrificante para engrenagens: | Óleo SAE 90 |
DIMENSÕES

INSTRUÇÕES DE USO
1. Uso pretendido
A caixa de engrenagens é uma transmissão mecânica que aumenta a velocidade de rotação do eixo de saída e permite a operação de uma bomba hidráulica de engrenagem via eixo PTO do trator.
É utilizada para acionamento de:
- unidades hidráulicas,
- cabrestantes florestais,
- divisores de madeira,
- outros equipamentos hidráulicos.
2. Posição de instalação
A caixa de engrenagens deve ser instalada na posição correta de funcionamento para garantir a lubrificação adequada das engrenagens. Recomenda-se instalação horizontal, portanto a bomba e a caixa de engrenagens devem estar alinhadas horizontalmente.
Importante:
- a caixa de engrenagens deve sempre ser instalada de modo que o óleo dentro do alojamento esteja em contato com a transmissão das engrenagens,
- não é permitido funcionamento prolongado na posição invertida,
- a caixa de engrenagens deve ser suportada mecanicamente (não deve ficar pendurada apenas no eixo PTO).
3. Direção de rotação
Antes da instalação, verifique a direção de rotação do eixo PTO e a direção de rotação requerida da bomba hidráulica.
A direção incorreta de rotação pode causar danos à bomba, falha nas vedações e fluxo inadequado de óleo.
4. Lubrificação a óleo
A caixa de engrenagens deve ser continuamente lubrificada com óleo no interior do alojamento para garantir o funcionamento correto das engrenagens. O lubrificante recomendado é óleo para engrenagens SAE 90.
A caixa deve ser preenchida com óleo até o nível de controle.
Antes do primeiro uso, remova a tampa de enchimento, complete com óleo até a marca de nível e recoloque a tampa.
Antes de cada uso, verifique o nível de óleo. A primeira troca de óleo é recomendada após 50 horas de operação e, posteriormente, a cada 1500 horas de operação ou uma vez por ano.
5. Temperatura de operação
A temperatura normal de operação da carcaça da caixa de engrenagens está entre 50 e 80°C. Se exceder 90°C, verifique o nível de óleo, carga e alinhamento.
6. Manutenção e possíveis problemas
| Problema | Causa possível | Solução |
| Superaquecimento | Nível de óleo insuficiente | Verificar nível de óleo |
| Ruído | Rolamentos desgastados | Manutenção |
| Vibrações | Alinhamento incorreto | Verificar instalação |
| Vazamento de óleo | Vedação danificada | Substituir vedação |









